智能雷达料位计

从几个层面了解棒式雷达液位计

作者: 编辑: 来源: 发布日期: 2021.08.05
信息摘要:
我该买棒式雷达液位计,还是喇叭口雷达液位计?我该选择法兰连接的雷达液位计,还是螺纹连接的雷达液位计?这些问题时时困扰着客户。

我该买棒式雷达液位计,还是喇叭口雷达液位计?我该选择法兰连接的雷达液位计,还是螺纹连接的雷达液位计?这些问题时时困扰着客户。

这些之所以成为问题,是因为我们对每款产品没有一个清晰的认知。今天,我们就从棒式雷达液位计开始,认识一下不同类型的雷达液位计。

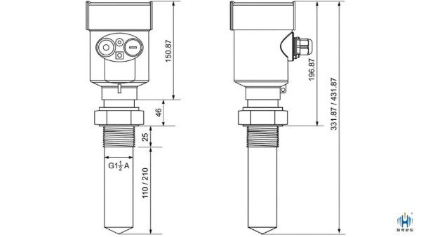
棒式雷达液位计,是雷达液位计中的一种,它的天线选用的是棒式,也被习惯称为棒式雷达液位计。它的原理与其它雷达液位计相同,即雷达发射的微波脉冲经棒式天线向下传输,遇到被测介质后被反射,再次被接收并转换为液位信号。

相较于其它雷达液位计,棒式雷达液位计最大的特点是几乎不受腐蚀影响且易于清洗,适用于各种强腐蚀性液体的测量,例如硫酸。但是棒式雷达液位计的测量范围有一定的限制要求,一般都在十米以内。所以,棒式雷达液位计常用于测量运行条件较好且测量范围较小的工况环境。

棒式雷达液位计有螺纹和法兰两种过程连接方式,至于选择哪一种,要看哪一种更适合当下的工况。

雷达液位计

慧博新锐目前最畅销的一款棒式雷达物位计当属高频雷达物位计中的HBRD901.这款产品发射角为20°,测量精度为±5mm,主要有标准型、本安型和防爆型三种类型。(详情见HBRD901 26G雷达液位计「防腐型」化工行业)

河南一家化工厂就用这款产品测量10米硫酸,经询问,使用至今,未出现过任何问题,数据也相对精准。

每一个行业都有其共性和特性,同一个行业也有其共性和特性。对于生产环节中较重要的测量环节,我们切不可马虎小心,一定要根据自己工况的实际情况选择适合的产品类型。棒式雷达液位计也好,喇叭口雷达液位计也罢,重点是哪种类型最适合。

【相关推荐】
推荐资讯
导波雷达物位计

导波雷达物位计

导波雷达物位计说明书-北京慧博新锐科技有限公司
2025-09-17
雷达物位计型号说明书获取

雷达物位计型号说明书获取

雷达物位计作为工业自动化领域的关键测量设备,其型号说明书是用户正确选型、安装和调试的重要技术依据。以下将从获取渠道、说明书核心内容解析以及实际应用指南三个维度,系统介绍如何高效获取并利用雷达物位计技术文档。
2025-09-16
雷达物位计在垃圾焚烧电厂的应用

雷达物位计在垃圾焚烧电厂的应用

在垃圾焚烧电厂的复杂运行体系中,精准的物位测量对于保障整个发电流程的稳定、高效以及环保达标具有至关重要的意义。雷达物位计作为一种先进的物位检测设备,凭借其独特的技术优势,在垃圾焚烧电厂的多个关键环节发挥着不可或缺的作用。垃圾焚烧电厂的主要工艺流程包括垃圾的接收、储存、焚烧、余热利用以及烟气处理......
2025-04-25

咨询热线

400-1610-067
北京慧博新锐科技有限公司 京ICP备18040127号-1 技术支持:牛商股份 公司地址:北京市昌平区回龙观镇北京国际信息产业基地立业路8号兆科生产楼五层西区