智能雷达料位计

雷达物位计HBRD-902S

作者: ZN 编辑: ZN 来源: https://www.wuweiji.cn/ 发布日期: 2025.10.09
信息摘要:
雷达物位计HBRD-902S

-osI3nAF39AB91uqH-001

-osI3nAF39AB91uqH-002

-osI3nAF39AB91uqH-003

-osI3nAF39AB91uqH-004

-osI3nAF39AB91uqH-005

-osI3nAF39AB91uqH-006

-osI3nAF39AB91uqH-007

-osI3nAF39AB91uqH-008

-osI3nAF39AB91uqH-009

-osI3nAF39AB91uqH-010

-osI3nAF39AB91uqH-011

-osI3nAF39AB91uqH-012

-osI3nAF39AB91uqH-013

-osI3nAF39AB91uqH-014

-osI3nAF39AB91uqH-015

【相关推荐】
推荐资讯
26GHz高频雷达液位计HBRD-902T选型说明书

26GHz高频雷达液位计HBRD-902T选型说明书

26GHz高频雷达液位计HBRD-902T选型说明书
2025-10-10
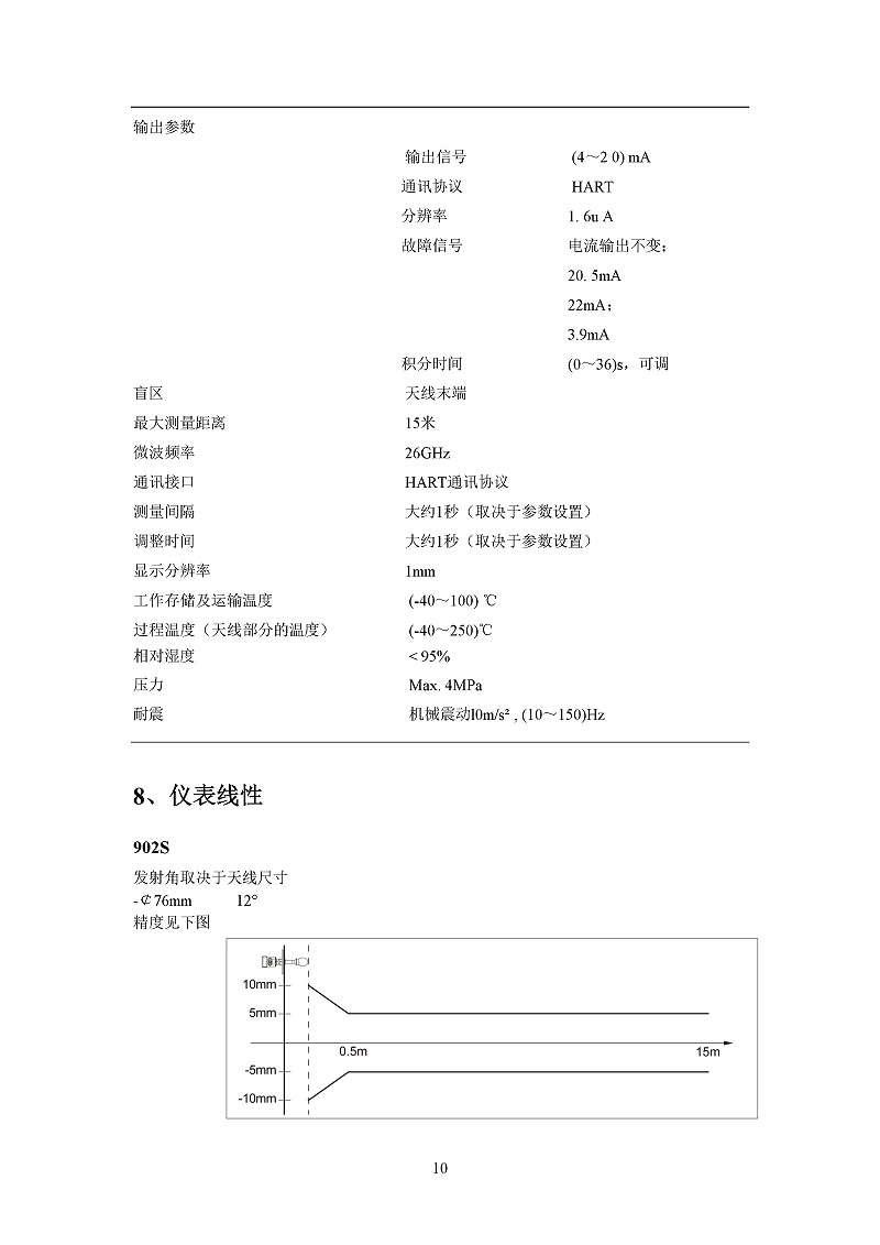
雷达物位计HBRD-902S

雷达物位计HBRD-902S

雷达物位计HBRD-902S
2025-10-09
慧博新锐雷达物位计HBRD902选型说明书

慧博新锐雷达物位计HBRD902选型说明书

慧博新锐雷达物位计HBRD902选型说明书
2025-09-29

咨询热线

400-1610-067
北京慧博新锐科技有限公司 京ICP备18040127号-1 技术支持:牛商股份 公司地址:北京市昌平区回龙观镇北京国际信息产业基地立业路8号兆科生产楼五层西区